Fork and Rails for 2002 Dodge Stratus

Vehicle

2002 Dodge Stratus

Change Vehicle

Categories

Browse Categories
No.
Part # / Description / Price
Price
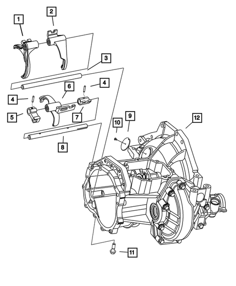
1
Third And Fourth Shift Rail
Mopar Mopar
Notes: Transmissions: 5-SPEED MANUAL T850 TRANSMISSION.
1
Third And Fourth Shift Rail
Mopar Mopar
Notes: Transmissions: 5-SPEED MANUAL T850 TRANSMISSION.
1
Fifth And Reverse Fork
Mopar Mopar
Notes: Transmissions: 5-SPEED MANUAL T850 TRANSMISSION.
1
Third And Fourth Shift Rail
Mopar Mopar
Notes: Transmissions: 5-SPEED MANUAL T850 TRANSMISSION.
2
First And Second Fork
Mopar Mopar
Notes: Transmissions: 5-SPEED MANUAL T850 TRANSMISSION.
3
First And Second Shift Rail
Mopar Mopar
Notes: Transmissions: 5-SPEED MANUAL T850 TRANSMISSION.
4
Pin
Mopar Mopar
Notes: Engines: 2.0L I4 DOHC 16V SMPI ENGINE. Transmissions: 5-SPEED MANUAL T350 TRANSMISSION. 5-SPEED MANUAL T850 TRANSMISSION.
5
Connector
Mopar Mopar
Notes: Transmissions: 5-SPEED MANUAL T850 TRANSMISSION.
6
Third And Fourth Fork
Mopar Mopar
Notes: Transmissions: 5-SPEED MANUAL T850 TRANSMISSION.
7
Fifth And Reverse Gear Lug
Mopar Mopar
Notes: Transmissions: 5-SPEED MANUAL T850 TRANSMISSION.
8
Third And Fourth Shift Rail
Mopar Mopar
Notes: Transmissions: 5-SPEED MANUAL T850 TRANSMISSION.
11
Bolt
Mopar Mopar
Notes: Transmissions: 5-SPEED MANUAL T850 TRANSMISSION.